步進電機應用于安防監控、辦公自動化設備、金融支付設備、舞臺燈具、智能家電、衛生潔具、紡織器械、機器人等需要精準定位,自動瞄準與自動記錄等自動化監控領域
電壓、電阻、線長、軸長(扁位)、減速比、端子按需定制

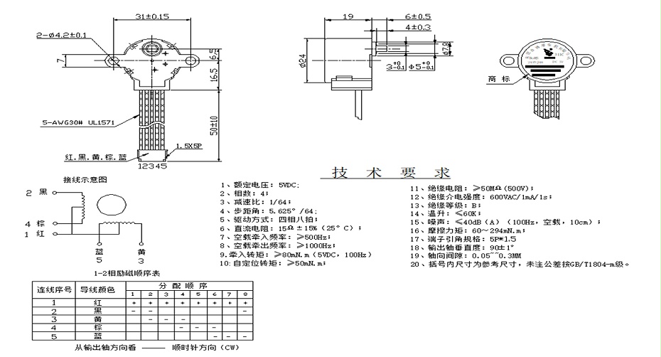
規格承認書:
1.型號:BH-24BYJ48-311C
2.額定電壓:馬達端子電壓:5. OV DC
3.相數:4相
4.驅動方式:1-2相勵磁單極驅動
5.步距角:5.625° /64 (輸出軸),減速比1/64
6.電阻:15Ω±15%/相 25°C
7.最大空載牽出頻率:≥1000 pps
8.最大空載牽入頻率:≥500 pps
9.牽入轉矩:80mN.m/5VDC 100 Hz
10.絕緣電阻:在引接線和外殼之間施加500VDC, 測得絕緣電阻大于100MΩ。
11.重量:28g
12.噪音:電機在5VDC/ 100Hz條件下空載運行,距電機10cm處測得噪音值不大于40dB(A計權)
13.耐濕測試:電機在溫度為40°C,相對濕度為90%
~ 95%的環境中置放48小時,然后取出在常溫下置放30分鐘
14.耐高溫試驗:電機在溫度為80°C, 相對濕度為90%~ 100%的環境中置放48小時,然后取出在常溫下置放30分鐘
15.沖擊或跌落試驗:電機在X,Y, Z三個方向分別承受80g的沖擊力各1次; 或電機在裝箱狀態下,從75cm高處,以X,Y,Z三個方向各跌落一次, 電機應正常.
16.壽命測試:電機在5VDC 100 Hz,10mN. cm的負荷狀態下,經過3000小時90° 正反方向旋轉,電機應滿足要求,鹽霧試驗8小時。
17.使用條件:溫度 -10°C~45°C .相對濕度: 35%~85%
18.馬達低溫使用環境溫度根據油的性能而定,常規油可以-20°到120° 工作,低溫油可以-40° -140° (參考)