咨詢熱線
13829170860




13829170860
|
型號 Modle |
驅動電壓 Diver Voltage (DC V) |
NO LOAD(零負載) |
Rated load(額定負載) |
Stall(間隔/停止轉動) |
重量 Height(g) |
||||||
|
Speed(轉速) |
Current(電流) |
Torque 轉矩 |
Speed轉速 |
Current(電流) |
Torque 轉矩 |
Current (電流) |
|||||
|
r/min |
A |
g-cm |
mN-m |
r/min |
A |
g-cm |
mN-m |
A |
|||
|
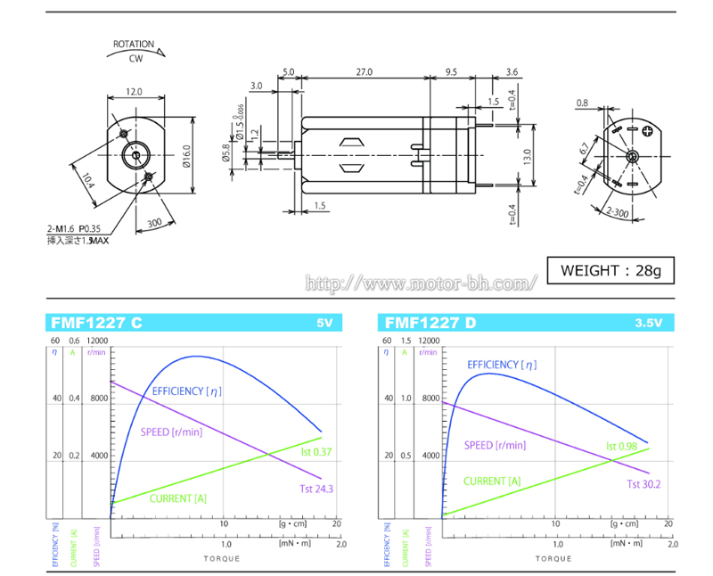
BHFMF1227-01 |
3.5 |
8100 |
0.07 |
6 |
0.59 |
7500 |
0.26 |
30 |
2.96 |
0.98 |
28 |
|
BHFMF1227-02 |
5 |
9500 |
0.05 |
6.5 |
0.64 |
5900 |
0.14 |
24 |
2.38 |
0.37 |
|