咨詢熱線
13829170860




13829170860
|
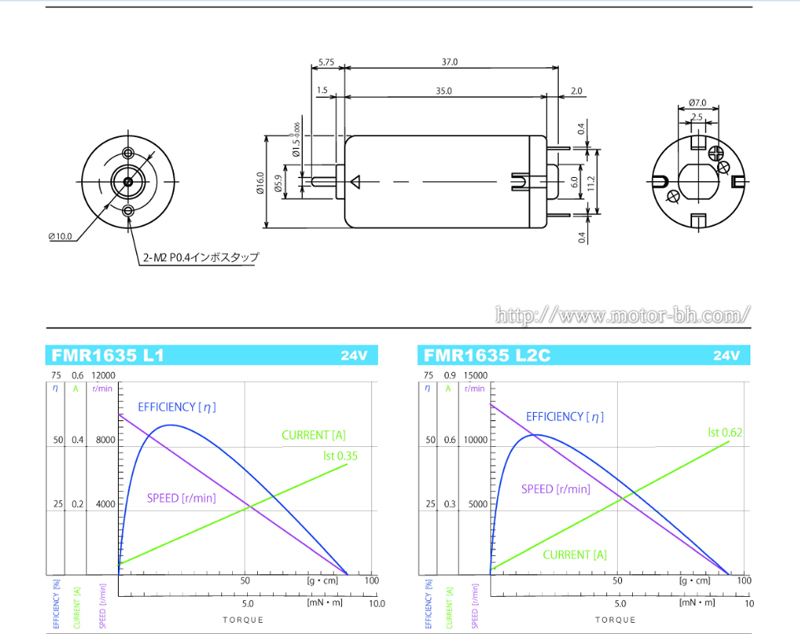
型號 Modle |
驅動電壓 Diver Voltage (DC V) |
NO LOAD(零負載) |
Rated load(額定負載) |
Stall(間隔/停止轉動) |
重量 Height(g) |
||||||
|
Speed(轉速) |
Current(電流) |
Torque 轉矩 |
Speed轉速 |
Current(電流) |
Torque 轉矩 |
Current(電流) |
|||||
|
r/min |
A |
g-cm |
mN-m |
r/min |
A |
g-cm |
mN-m |
A |
|||
|
BHFMR1635-01 |
24 |
10000 |
0.03 |
10 |
0.98 |
8900 |
0.065 |
90 |
8.92 |
0.35 |
|
|
BHFMR1635-02 |
24 |
13300 |
0.035 |
12 |
1.17 |
11600 |
0.011 |
94 |
9.2 |
0.62 |
|