咨詢熱線
13829170860


步進電機的核心特點:
1.耐高低溫-40°C~140°C.壽命1萬小時以上.
2.噪音低至40分貝內.
3.抗干擾,不受外界因素影響丟步.
4.低速轉動1分鐘轉動1~20圈.
13829170860
規格承認書
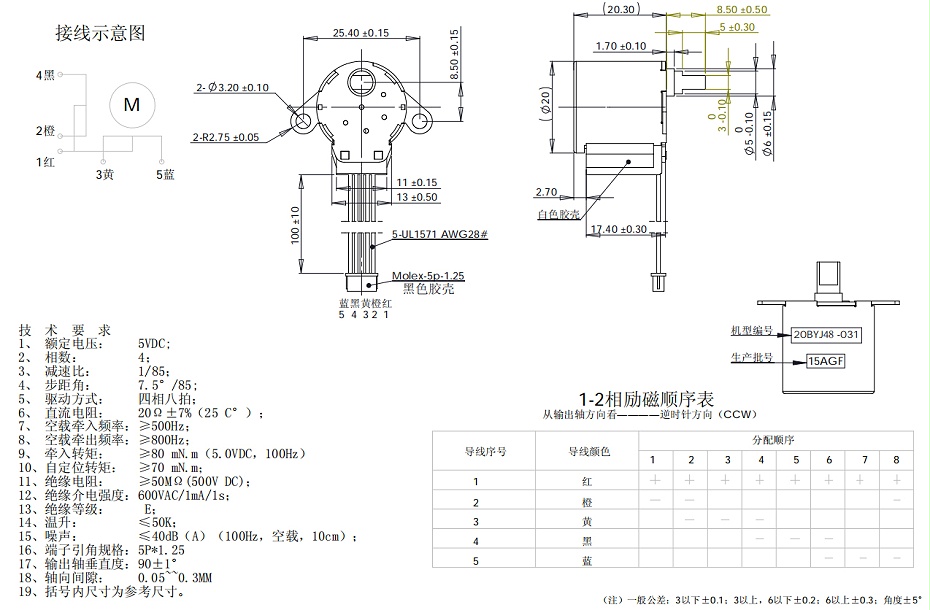
1.型號:BH-20BYJ48-031
2.額定電壓:馬達端子電壓:5. OV DC
3.相數:4相
4.驅動方式:1-2相勵磁單極驅動
5.步距角:7.5° /64 (輸出軸),減速比1/85
6.電阻:20Ω±7%/相 25°C
7.最大空載牽出頻率:≥800 pps
8.最大空載牽入頻率:≥500 pps
9.牽入轉矩:80mN.m/5VDC 100 Hz
10.絕緣電阻:在引接線和外殼之間施加600VDC, 測得絕緣電阻大于100MΩ。
11.重量:29.4g
12.噪音:電機在5VDC/ 100Hz條件下空載運行,距電機10cm處測得噪音值不大于40dB(A計權)。
13.耐濕測試:電機在溫度為40°C,相對濕度為90% ~ 95%的環境中置放48小時,然后取出在常溫下置放30分鐘。
14.耐高溫試驗:電機在溫度為80°C, 相對濕度為90%~
100%的環境中置放48小時,然后取出在常溫下置放30分鐘。
15.沖擊或跌落試驗:電機在X,Y, Z三個方向分別承受80g的沖擊力各1次; 或電機在裝箱狀態下,從75cm高處,以X,Y,Z三個方向各跌落一次, 電機應正常。
16.壽命測試:電機在5VDC 100 Hz,10mN. cm的負荷狀態下,經過3000小時90° 正反方向旋轉,電機應滿足要求,鹽霧試驗8小時。
17.使用條件:溫度 -10°C~45°C .相對濕度: 35%~85%。
18.馬達低溫使用環境溫度根據油的性能而定,常規油可以-20°到120°
工作,低溫油可以-40° -140° (參考)。